| штат: | |
|---|---|
Описание продукта
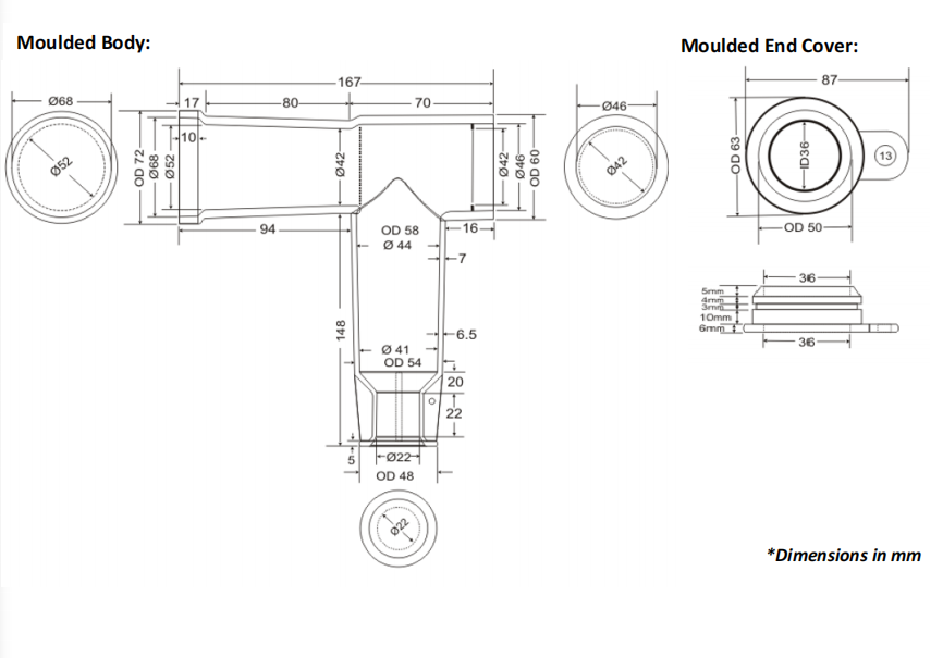
Изоляционный адаптер RUJT-1 (630 А) предназначен для соединения с внешними конусными изоляторами типа C в соответствии с стандартом EN-50181. Это 12кВ разъединитель без экрана, который также выполняет функцию соединителя для разрыва нагрузки, обеспечивая надежное электрическое соединение, герметизацию и электрическую изоляцию между кабельными наконечниками и выключательным оборудованием на SF6 изоляции до 24кВ. Адаптер универсален: совместим с кабельными наконечниками, подходит для соединения кабелей с бумажной или пластиковой изоляцией, а также с одним или тремя жилами.
Технические характеристики и преимущества
Стандарт и совместимость: Соответствует стандарту EN-50181, предназначен для внешних конусных изоляторов типа C. Совместим с кабельными наконечниками различных типов, поддерживает кабели с бумажной/пластиковой изоляцией (одножильные и трехжильные).
Электрические параметры: Тип — 12кВ разъединитель без экрана (также доступен для работы до 24кВ), номинальный ток 630 А. Обеспечивает надежное электрическое соединение между кабельными наконечниками и выключательным оборудованием на SF6 изоляции.
Конструкция и удобство установки: Компактный дизайн и четкие контуры упрощают монтаж. Электрическое соединение осуществляется с помощью монтажного болта (шпильки), что исключает необходимость использования дополнительных систем крепления.
Герметичность и прочность: Изоляционная манжета с толстыми стенками, изготовленная из высококачественного эластомера, имеет герметизирующую поверхность, которая покрывает завершение, конус вводного изолятора и штепсель. Адаптер водонепроницаемый, способен работать в экстремальных экологических условиях с сильным загрязнением.
Уникальные функции: Возможно подключение двух кабелей одновременно. Предусмотрена специальная заглушка, которая позволяет проводить тестирование кабеля без отключения адаптера — это значительно экономит время при техническом обслуживании.
Функции изоляционного адаптера
Основная функция 12кВ разъединителя без экрана (соединителя для разрыва нагрузки) — обеспечение безопасной и надежной связи между кабельными наконечниками и выключательным оборудованием. Изоляционная манжета из высококачественного эластомера с толстыми стенками защищает все контактные части от внешних воздействий, предотвращает проникновение влаги и грязи, а также гарантирует высокий уровень электрической изоляции.
Электрическое соединение осуществляется с помощью монтажного болта и кабельного наконечника соединения, что обеспечивает прочность контакта и стабильную работу оборудования. Специальная заглушка упрощает процедуру тестирования кабеля, позволяя выполнять ее без предварительного отключения адаптера — это важный преимущество при эксплуатации в критических энергетических системах.
Содержимое комплекта (полный перечень)
Комплект 12кВ разъединителя без экрана / соединителя для разрыва нагрузки включает все необходимое для быстрой и качественной установки:
3 x изоляционные манжеты
3 x силиконовая смазка (для улучшения герметичности и защиты от коррозии)
3 x чистящие бумаги (для подготовки поверхностей перед монтажом)
3 x болта из нержавеющей стали с гайками (прочные и коррозионноустойчивые)
3 x монтажные болта (шпильки) для электрического соединения
1 x инструкция по установке (с подробными шагами и рекомендациями)
Ключевые параметры для выбора (для удобства поиска)
Если вы ищете 12кВ разъединитель без экрана, 12кВ соединитель для разрыва нагрузки или аналогичный продукт, обратите внимание на эти ключевые параметры, которые соответствуют вашему запросу:
Напряжение: 12кВ (максимальное до 24кВ)
Ток: 630 А
Тип: разъединитель без экрана, соединитель для разрыва нагрузки
Стандарт: EN-50181
Совместимость: внешние конусные изоляторы типа C, кабели с бумажной/пластиковой изоляцией
Герметичность: водонепроницаемый дизайн
Если указанная информация не полностью соответствует вашим требованиям, пожалуйста, уточните детали (например, требуемое напряжение, ток, тип кабеля или специфические условия эксплуатации), и мы с радостью поможем подобрать оптимальное решение или предоставить дополнительные данные о продукте.
Тип продукции
